5+ Airmar Transducer Wiring Diagram


V Core Eletronics


Wiring Your Duet 3 Mainboard Duet3d Documentation


Raymarine Raya Pigtail From P58 A102138 Transducer 12 Long Ray A Connector Max Marine Electronics


Wiring Diagram Wiring Connection For The Mainboard Fashion3d


Airmar St850 Installation Blue Heron Marine Technology


Simrad S2009 To Airmar B75m Wiring Diagram The Hull Truth Boating And Fishing Forum


A Fundamental Danger Of Nmea 2000 Networks


12v 48v Dc Motor Speed Controller 25a Internal Case Model


Ca11 Older A57d Water Temp


Ca Ca11 Axiom Pro 12 Rvw Won T Recognise 1kw Chirp Transducer Printable Version


Cuav V5 Wiring Quickstart Px4 User Guide


Will This Electronics Upgrade Configuration Work R Sailing


Mimonitor Smart Wifi Thermostat


Different Type Of Airmar B260 Transducers Furuno Usa Community


657222 Gateway For Midea Airtouch


Will This Electronics Upgrade Configuration Work R Sailing


Airmar Technology Corporation Cross Reference


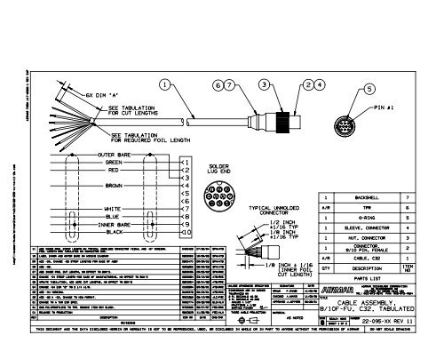
Air 033 333 10 Pin Ext Wiring Diag 244 Kb Furuno Usa

Iklan Atas Artikel

Iklan Tengah Artikel 1

Iklan Tengah Artikel 2

Iklan Bawah Artikel